Projekt: DC Motor Position Control in MATLAB/Simulink


    Dieses Projekt untersucht, wie ein DC-Motor mithilfe eines Regelkreises in MATLAB/Simulink gesteuert werden kann, um eine gewünschte Position zuverlässig zu erreichen. Meine Ziele waren hier:
  • ein mathematisches Modell eines DC-Motors zu erstellen,
  • einen geeigneten Regler (z. B. PID-Regler) zu entwerfen,
  • die Positionsregelung des Motors in MATLAB/Simulink zu simulieren,
  • und das Systemverhalten zu analysieren (Überschwingen, Einschwingzeit, Stabilität).
  • 1- Theoretische Grundlagen:
Die folgenden Abbildungen zeigen den physikalischen Aufbau eines DC-Motors. Der DC-Motor wandelt elektrische Energie in mechanische Bewegung um. Die DC-Spannungsquelle (Power supply) versorgt den Motor mit elektrischer Energie. Durch den fließenden Strom entsteht im Rotor ein Magnetfeld, das eine Lorentz-Kraft erzeugt (Rotation).

Pizza App (Django)

Diese Abbildungen lassen sich dann mit zwei Hauptgleichungen beschreiben:
- Elektrische Gleichung (2. Kirchhoffschen Gesetz / Faraday’schen Induktionsgleichung)

\[ V(t) = L \frac{di(t)}{dt} + R\,i(t) + K_e\,\omega(t) \]

und da

\[ \omega(t) = \frac{d\theta(t)}{dt} \]

Folgt daraus:

\[ L \frac{di(t)}{dt} = V(t) - R\,i(t) - K_e \frac{d\theta(t)}{dt} \]

oder auch geschrieben als:

\[ L \frac{di}{dt} = V - (R\,i + K_e \frac{d\theta}{dt}) \]


Diese Gleichung beschreibt den elektrischen Stromkreis der Motorwicklung.

  • \( V(t) \): angelegte Spannung
  • \( L \frac{di(t)}{dt} \): Induktionsspannung durch Stromänderung
  • \( R\,i(t) \): Spannungsabfall am Wicklungswiderstand
  • \( K_e \frac{d\theta(t)}{dt} \): Gegenspannung (Gegen-EMK), proportional zur Drehgeschwindigkeit
  • \( \frac{d\theta(t)}{dt} \): Winkelgeschwindigkeit des Rotors (rad/s)
- Mechanische Gleichung: (2. Newtonschen Gesetz für Rotation)

\[ \sum M = J \frac{d\omega}{dt} \quad \Longleftrightarrow \quad J \frac{d\omega(t)}{dt} = K_t\,i(t) - b\,\omega(t) \]

mit den Momenten:

\[ M = K_t\,i(t) - b\,\omega(t) \]

und da

\[ \omega(t) = \frac{d\theta(t)}{dt} \]

folgt daraus:

\[ J \frac{d^2\theta(t)}{dt^2} = K_t\,i(t) - b\,\frac{d\theta}{dt} \]

oder auch geschrieben als:

\[ J \frac{d^2\theta}{dt^2} = K_t\,i - b\,\frac{d\theta(t)}{dt} \]


Diese Gleichung beschreibt die Drehbewegung des Motors ohne äußere Last.

  • \( J \): Trägheitsmoment des Rotors
  • \( \frac{d\omega}{dt} \) oder \( \frac{d^2\theta}{dt^2} \): Winkelbeschleunigung
  • \( \omega(t) = \frac{d\theta(t)}{dt} \): Winkelgeschwindigkeit
  • \( b\,\omega(t) \): Reibungsverluste (viskose Dämpfung)
  • \( K_t\,i(t) \): Elektromagnetisches Drehmoment (durch Lorentzkraft erzeugt)
- Reglerentwurf:
    Ein PID-Regler wird zur Positionsregelung eingesetzt. Ziel ist es, den Positionsfehler

    \[ e(t) = \theta_{ref}(t) - \theta(t) \]

    zu minimieren.

    PID-Reglergleichung:

    \[ u(t) = K_p\,e(t) + K_i \int e(t)\,dt + K_d\,\frac{de(t)}{dt} \]

    Die Parameter \( K_p \), \( K_i \) und \( K_d \) werden z. B. durch manuelles Tuning, die Ziegler–Nichols-Methode oder den Simulink Tuner bestimmt.
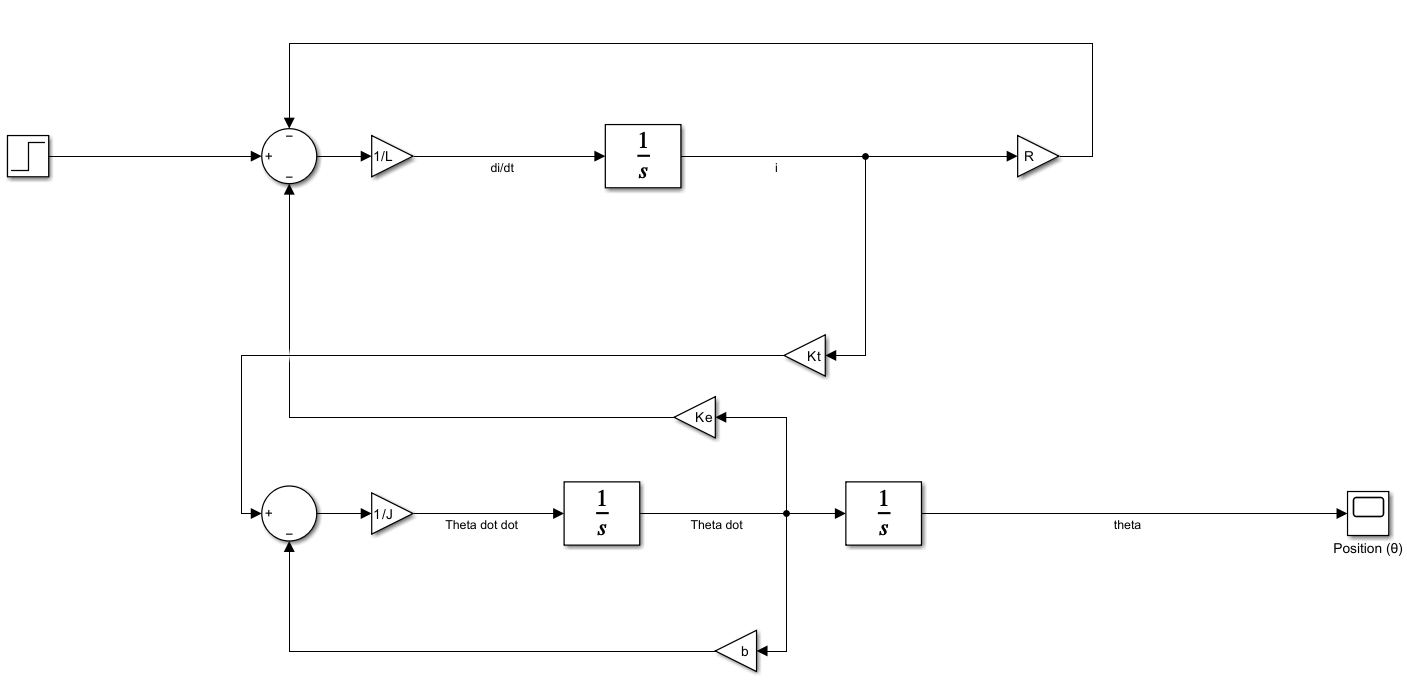
  • 2- Matlab/Simulink-Modell:
Bei der Erstellung wird die zwei folgenden Gleichungen verwendet:
\[ L \frac{di}{dt} = V - (R\,i + K_e \frac{d\theta}{dt}) \]
(1)
\[ J \frac{d^2\theta}{dt^2} = K_t\,i - b\,\frac{d\theta}{dt} \]
(2)

- Simulink-Modell des DC-Motors ohne Regler und Ergebnis der Positionsausgabe (θ)

Pizza App (Django)

Pizza App (Django)

      Das zweite Bild zeigt das Positionssignal θ(t) über die Zeit.

      Beobachtungen:

      • Die Kurve beginnt bei 0 (Motor steht still).
      • Nach der Step-Eingabe (bei t ≈ 1 s) beginnt θ linear anzusteigen.
      • Der Winkel wächst kontinuierlich — also keine Begrenzung, kein stationärer Zustand.

      Das bedeutet:

      • Der Motor dreht sich ständig weiter, solange eine Spannung anliegt.
      • Es gibt keine Positionsregelung — der Motor erreicht also keinen festen Winkel, sondern läuft frei.
      • Kein Ausgleich von Störungen oder Reibung.
      Ein PID-Regler ist notwendig, um die Position (θ) gezielt zu steuern und stabil an einem Sollwert zu halten.

    - Simulink-Modell des DC-Motors mit Regler und Ergebnis der Positionsausgabe (θ)

Pizza App (Django)

Pizza App (Django)

    Die neue Simulink-Struktur (mit Regler) stellt einen geschlossenen Regelkreis (Closed-Loop Control) dar:

    • Sollwert (Step-Signal):
      Das ist der gewünschte Zielwert der Motorposition  (\( \theta_{ref} = 1\,\text{rad} \)).
    • Vergleichssumme (Summationsblock):
      Berechnet den Positionsfehler \[ e(t) = \theta_{ref}(t) - \theta(t) \]
    • PID-Reglerblock (PID(s)):
      Berechnet das Stellsignal (Spannung \( v(t) \)) aus dem Fehler: \[ v(t) = K_p\,e(t) + K_i \int e(t)\,dt + K_d\,\frac{de(t)}{dt} \]
    • DC-Motor-Modell (Plan-Modell):
      Das System, das die Spannung in eine Rotationsbewegung (Position θ) umwandelt.

    In diese erste Simulation wurde:

    \[ K_p = 1, \quad K_i = 1, \quad K_d = 0 \]

    Beobachtungen:

    • Bei t ≈ 1 s tritt der Sollsprung (Step) auf.
    • Die Position steigt schnell auf den Zielwert (≈ 1).
    • Es gibt ein kleines Überschwingen über 1 rad (~1.1–1.2).
    • Danach pendelt sich θ(t) stabil auf 1 rad ein.


    Interpretation – Vergleich mit dem offenen System

    Merkmal Ohne PID-Regler Mit PID-Regler (P=1, I=1)
    Systemtyp Offener Kreis Geschlossener Regelkreis
    Verhalten θ steigt unbegrenzt an θ erreicht Sollwert stabil
    Stabilität instabil (läuft weiter) stabil (stationärer Zustand)
    Fehler (steady-state) unendlich groß ≈ 0
    Überschwingen leicht (~10–15 %)
    Einschwingzeit < 1.5 s


    Probleme im aktuellen System (P = 1, I = 1, D = 0)

    Beim Blick auf Diagramm mit Regler erkennt man:

    • Überschwingen (~10–20 %): Der Motor dreht leicht über den Zielwert (1 rad) hinaus.
    • Kleines Nachschwingen: Das System braucht ein paar Sekunden, um sich einzupendeln.
    • Langsames Ausklingen: Der Regler kompensiert den Fehler, reagiert aber etwas zu aggressiv.

    Ursache:

    Das Zusammenspiel von \( K_p = 1 \) und \( K_i = 1 \) führt zu einer recht hohen Integraldynamik.
    → Das heißt: Der I-Anteil sammelt den Fehler zu stark auf → zu viel Stellspannung, bevor das System reagiert → Überschwingen.
    Da kein D-Anteil vorhanden ist, fehlt hier die Dämpfung.



    Experiment mit Kp = 1, Ki = 0.5, Kd = 0.05

Pizza App (Django)


Pizza App (Django)

    Beobachtung aus der Kurve
    • Die Position steigt schnell auf den Sollwert (1 rad).
    • Überschwingen ist nahezu eliminiert – nur eine sehr kleine Welle kurz nach t = 1 s.
    • Das System erreicht den Sollwert sauber und bleibt stabil ohne Schwingung.
    • Die Einschwingzeit ist kurz (ca. 1 s).
    • Kein stationärer Fehler (\( \theta \rightarrow 1 \, \text{rad} \)).


    Vergleich mit vorherigen Ergebnissen:

    Konfiguration Verhalten Bemerkung
    Ohne PID θ wächst unbegrenzt Kein Feedback → instabil
    PI-Regler (1, 1, 0) Überschwingung, Nachschwingen Zu aggressiv, übersteuert
    PID-Regler (1, 0.5, 0.05) Schnell, stabil, kein Überschwingen Optimal abgestimmt